Podłączenie listwy LED to zadanie, które na pierwszy rzut oka może wydawać się skomplikowane, ale z odpowiednim przewodnikiem krok po kroku staje się prostsze i dostępne dla każdego. W tym artykule pokażę Ci, jak bezpiecznie i efektywnie zainstalować oświetlenie LED, unikając najczęstszych błędów, które mogą skrócić żywotność Twojej instalacji.
Podłącz listwę LED bezpiecznie i efektywnie, poznaj niezbędne kroki i uniknij błędów.
- Prawidłowe podłączenie taśmy LED wymaga odpowiedniego doboru komponentów, zwłaszcza zasilacza o mocy 15-20% wyższej niż pobór taśmy.
- Taśmy można łączyć za pomocą złączek (szybko i łatwo) lub lutowania (trwale, dla zaawansowanych).
- Kluczowe jest zrozumienie schematów podłączenia dla taśm jednokolorowych, RGB/RGBW ze sterownikiem oraz integracji z włącznikiem ściennym.
- Montaż w profilach aluminiowych jest niezbędny dla odprowadzania ciepła i wydłużenia żywotności diod, a także dla estetyki.
- Należy unikać typowych błędów, takich jak spadki napięcia na długich odcinkach, przegrzewanie diod czy złe przygotowanie podłoża.
Zanim zabierzesz się do pracy, pamiętaj, że odpowiednie przygotowanie i skompletowanie wszystkich niezbędnych elementów to podstawa udanej instalacji. To właśnie na tym etapie często popełniane są błędy, które później skutkują problemami. Przyjrzyjmy się zatem, co będzie Ci potrzebne.
Niezbędne komponenty i narzędzia do podłączenia taśmy LED
Niezbędne komponenty: od taśmy po zasilacz
Z mojego doświadczenia wiem, że sukces instalacji LED zależy w dużej mierze od jakości i prawidłowego doboru komponentów. Oto lista, co powinieneś mieć pod ręką:
- Taśma LED: Serce Twojej instalacji. Pamiętaj, aby dobrać odpowiednią barwę światła i jasność do swoich potrzeb.
- Zasilacz: Niezwykle ważny element, który dostarcza taśmie odpowiednie napięcie (najczęściej 12V lub 24V) i moc. Jego prawidłowy dobór omówimy szczegółowo w kolejnych sekcjach.
- Sterownik (opcjonalnie): Niezbędny, jeśli masz taśmę RGB, RGBW lub CCT i chcesz zmieniać kolory, jasność czy temperaturę barwową.
- Profile aluminiowe z kloszem: Pełnią funkcję estetyczną i, co najważniejsze, funkcjonalną, o czym powiem więcej za chwilę.
- Złączki lub lutownica z cyną: Wybór metody łączenia zależy od Twoich umiejętności i preferencji.
- Przewody: Do połączenia wszystkich elementów. Upewnij się, że mają odpowiedni przekrój.
Narzędzia, które ułatwią Ci pracę
Oprócz samych komponentów, warto mieć pod ręką kilka narzędzi, które znacząco ułatwią montaż i zapewnią bezpieczeństwo:
- Nożyczki: Do precyzyjnego cięcia taśmy LED w wyznaczonych miejscach.
- Wkrętak: Do montażu profili czy podłączenia przewodów do zasilacza.
- Ściągacz izolacji: Niezbędny do szybkiego i bezpiecznego przygotowania przewodów.
- Miernik napięcia (multimetr): Zawsze polecam go mieć, aby sprawdzić napięcie i ciągłość obwodów, zanim podłączysz wszystko do prądu. To podstawa bezpieczeństwa!
Profile aluminiowe: dlaczego są tak ważne dla żywotności LED-ów?
Często spotykam się z pytaniem, czy profile aluminiowe są naprawdę konieczne. Moja odpowiedź zawsze brzmi: tak, absolutnie! Profile aluminiowe pełnią dwie kluczowe funkcje. Po pierwsze, są estetyczne z kloszem rozpraszają światło, sprawiając, że nie widzimy pojedynczych punktów LED, a jednolita linię światła. Po drugie, i to jest znacznie ważniejsze, działają jak radiator. Diody LED, mimo swojej energooszczędności, generują ciepło. Aluminium doskonale je odprowadza, co zapobiega przegrzewaniu się diod, znacząco wydłużając żywotność taśmy i zapewniając stabilną pracę przez lata. Pominięcie profili to jeden z najczęstszych błędów, który prowadzi do szybkiego zużycia taśmy.

Dobór odpowiedniego zasilacza to jeden z najważniejszych kroków, który decyduje o bezpieczeństwie i trwałości całej instalacji. Zbyt słaby zasilacz to prosta droga do problemów, a nawet awarii. Zatem, jak go prawidłowo wybrać?
Jak dobrać i podłączyć zasilacz do taśmy LED?
Zrozumienie napięcia: 12V czy 24V co wybrać i dlaczego to istotne?
Na rynku dostępne są głównie taśmy LED o napięciu 12V i 24V. Kluczowe jest, aby napięcie zasilacza było zawsze zgodne z napięciem taśmy. Nie możesz podłączyć taśmy 12V do zasilacza 24V, bo ją po prostu spalisz! Taśmy 24V są często bardziej efektywne przy dłuższych odcinkach, ponieważ wyższe napięcie pozwala na przesyłanie tej samej mocy przy niższym prądzie, co redukuje spadki napięcia i zapewnia jednolite świecenie na całej długości. Jeśli planujesz długie instalacje, zdecydowanie polecam 24V.
Obliczanie mocy zasilacza krok po kroku (zawsze z zapasem!)
Prawidłowe obliczenie mocy zasilacza to podstawa. Zawsze powtarzam moim klientom: zasilacz musi mieć zapas mocy! Oto jak to zrobić:
- Sprawdź pobór mocy taśmy: Na opakowaniu lub w specyfikacji technicznej taśmy LED znajdziesz informację o poborze mocy na metr (np. 4.8W/m, 9.6W/m, 14.4W/m).
-
Oblicz całkowity pobór mocy taśmy: Pomnóż pobór mocy na metr przez całkowitą długość taśmy, którą zamierzasz podłączyć.
Przykład: Masz 5 metrów taśmy o mocy 9.6W/m. Całkowity pobór mocy to 5 m * 9.6 W/m = 48 W. -
Dodaj zapas mocy: Zasilacz powinien mieć moc o około 15-20% wyższą niż obliczony całkowity pobór mocy taśmy. To zapobiega jego pracy na granicy wydajności, co znacząco wydłuża jego żywotność i stabilność.
Przykład: Dla 48 W dodajmy 20% zapasu: 48 W * 1.20 = 57.6 W. Potrzebujesz więc zasilacza o mocy co najmniej 60W (zawsze zaokrąglaj w górę do najbliższej dostępnej wartości).
Rodzaje zasilaczy: modułowy, wtyczkowy, hermetyczny który sprawdzi się u Ciebie?
Wybór typu zasilacza zależy od miejsca montażu i wymagań instalacji:
- Zasilacz wtyczkowy: Najprostszy i najtańszy. Idealny do małych, prostych instalacji, np. podświetlenia półki czy biurka, gdzie masz łatwy dostęp do gniazdka.
- Zasilacz modułowy (meblowy): Kompaktowy, często płaski, przeznaczony do montażu wewnątrz mebli, szafek czy sufitów podwieszanych. Wymaga podłączenia do sieci 230V przez kostkę elektryczną.
- Zasilacz hermetyczny (wodoodporny): Niezbędny do zastosowań zewnętrznych lub w miejscach o podwyższonej wilgotności, takich jak łazienki czy kuchnie. Posiada wysoką klasę szczelności (IP).

Gdy masz już wszystkie komponenty i zasilacz, czas na praktyczne aspekty przygotowania i łączenia taśmy LED. To kluczowe kroki, które decydują o funkcjonalności i estetyce Twojej instalacji.
Przygotowanie i łączenie taśmy LED: Cięcie, złączki czy lutowanie?
Jak i gdzie bezpiecznie ciąć taśmę LED? Oznaczenia, których nie możesz przegapić
Cięcie taśmy LED jest proste, ale musisz pamiętać o jednej, bardzo ważnej zasadzie: tnij tylko w wyznaczonych miejscach! Zazwyczaj są one oznaczone ikoną nożyczek lub cienką linią cięcia, a także miedzianymi polami lutowniczymi. Cięcie w innym miejscu może spowodować uszkodzenie obwodu i sprawić, że część taśmy przestanie świecić. Zawsze upewnij się, że tniesz prosto i precyzyjnie.
Łączenie bez lutowania: Przewodnik po złączkach do taśm LED
Dla wielu osób, zwłaszcza początkujących, złączki (konektory) to prawdziwe wybawienie. Ich głównymi zaletami są prostota i szybkość montażu. Nie potrzebujesz specjalistycznych narzędzi ani umiejętności lutowania. Po prostu wkładasz końcówki taśmy lub przewodów w złączkę i zatrzaskujesz. To idealne rozwiązanie, gdy zależy Ci na czasie i łatwości instalacji.
Złączki proste i kątowe kiedy ich używać?
Złączki występują w różnych wariantach, dopasowanych do konkretnych potrzeb:
- Złączki proste: Służą do przedłużania odcinków taśmy LED w linii prostej. Są idealne, gdy potrzebujesz połączyć dwa krótsze fragmenty w jeden dłuższy.
- Złączki kątowe (w kształcie L lub T): Umożliwiają zmianę kierunku taśmy, np. w narożnikach mebli, wnękach czy pod szafkami. Dzięki nim instalacja wygląda estetycznie, bez konieczności zaginania taśmy, co mogłoby ją uszkodzić.
Dobór złączki do typu taśmy (mono, RGB, RGBW)
Pamiętaj, aby dobrać złączkę odpowiednią do typu Twojej taśmy LED:
- 2-pinowe: Do taśm jednokolorowych (mono).
- 4-pinowe: Do taśm RGB (czerwony, zielony, niebieski, wspólny plus).
- 5-pinowe: Do taśm RGBW (czerwony, zielony, niebieski, biały, wspólny plus).
Dla zaawansowanych: Jak prawidłowo lutować taśmy LED, by połączenie było trwałe?
Lutowanie jest moją preferowaną metodą, gdy zależy mi na najwyższej trwałości i niezawodności połączenia, zwłaszcza w miejscach, gdzie instalacja będzie narażona na drgania lub wilgoć (po odpowiednim zabezpieczeniu). Jest też idealne, gdy złączki są zbyt duże lub nieestetyczne. Oto podstawowe wskazówki:
- Przygotuj pady: Upewnij się, że miedziane pady lutownicze na taśmie są czyste i wolne od zanieczyszczeń.
- Cynowanie przewodów: Oczyść końcówki przewodów i pokryj je cienką warstwą cyny. To ułatwi połączenie.
- Szybka aplikacja ciepła: Przyłóż nagrzaną lutownicę do padu na taśmie, a następnie szybko przyłóż cynowany przewód. Cyna powinna się roztopić i połączyć elementy. Ważne jest, aby robić to szybko, aby nie przegrzać diod LED.
- Sprawdź jakość: Po ostygnięciu sprawdź, czy połączenie jest solidne i nie ma zimnych lutów.
Zrozumienie schematów podłączenia jest kluczowe dla prawidłowego i bezpiecznego działania różnych typów taśm LED. Niezależnie od tego, czy masz prostą taśmę jednokolorową, czy zaawansowaną RGBW, każdy element musi być podłączony we właściwej kolejności.
Schematy podłączenia taśmy LED: Od prostych do zaawansowanych
Podłączanie jednokolorowej taśmy LED: Najprostszy schemat
Podłączenie jednokolorowej taśmy LED jest najprostsze i stanowi świetny punkt wyjścia do zrozumienia podstaw. Wymaga jedynie zasilacza i samej taśmy.
Schemat: Zasilacz → Taśma LED
W tym schemacie zasilacz jest bezpośrednio podłączony do taśmy LED. Kluczowe jest zachowanie prawidłowej polaryzacji: plus (+) z zasilacza do plusa (+) na taśmie, a minus (-) z zasilacza do minusa (-) na taśmie. Zazwyczaj przewody są oznaczone kolorami (np. czerwony dla plusa, czarny dla minusa), a na taśmie znajdują się odpowiednie oznaczenia. Błędna polaryzacja spowoduje, że taśma nie zaświeci lub, w skrajnych przypadkach, może ulec uszkodzeniu.
Podłączanie taśmy LED do włącznika w ścianie: Integracja z domową instalacją
Jeśli chcesz sterować oświetleniem LED jak tradycyjną lampą, czyli za pomocą standardowego włącznika ściennego, jest to jak najbardziej możliwe. Włącznik montuje się wtedy przed zasilaczem, na obwodzie 230V.
Schemat: Gniazdko 230V → Włącznik → Zasilacz → Taśma LED
W tym przypadku zasilanie 230V z gniazdka lub puszki elektrycznej doprowadzasz najpierw do włącznika ściennego. Z włącznika prąd płynie do zasilacza, który obniża napięcie do 12V lub 24V. Dopiero z zasilacza podłączasz taśmę LED, pamiętając o prawidłowej polaryzacji. Pamiętaj, że praca z napięciem 230V wymaga szczególnej ostrożności i, jeśli nie masz doświadczenia, lepiej zlecić to elektrykowi.
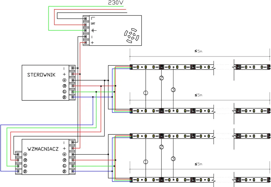
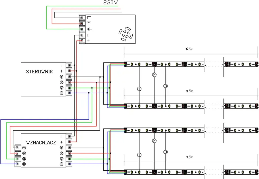
Podłączanie taśmy RGB/RGBW: Jak dodać sterownik do instalacji?
Taśmy RGB (Red, Green, Blue) i RGBW (Red, Green, Blue, White) wymagają sterownika, aby móc zmieniać kolory, jasność i tryby świecenia. Bez sterownika taśma zaświeci się tylko na jeden, zazwyczaj biały, kolor (jeśli podłączysz wszystkie piny do V+).
Schemat: Zasilacz → Sterownik → Taśma LED
W tym schemacie zasilacz dostarcza prąd do sterownika, a sterownik z kolei do taśmy LED. Zasilacz podłączasz do wejścia sterownika (zazwyczaj oznaczonego jako V+ i V- lub DC IN). Następnie wyjście sterownika (oznaczone jako V+, R, G, B, a w przypadku RGBW także W) podłączasz do odpowiednich pinów na taśmie LED. Bardzo ważne jest, aby wszystkie piny były podłączone prawidłowo, zgodnie z instrukcją sterownika i oznaczeniami na taśmie.
Jak sparować sterownik z pilotem lub aplikacją?
Większość sterowników LED, niezależnie od tego, czy są obsługiwane pilotem (radiowym, na podczerwień) czy aplikacją mobilną (Wi-Fi, Bluetooth), wymaga sparowania. Zazwyczaj proces ten polega na włączeniu zasilania sterownika, a następnie w ciągu kilku sekund naciśnięciu odpowiedniego przycisku na pilocie (np. "Pair", "Connect" lub przycisku włączania/wyłączania) lub wyszukaniu urządzenia w aplikacji mobilnej i potwierdzeniu połączenia. Zawsze zapoznaj się z instrukcją obsługi konkretnego sterownika, ponieważ proces parowania może się nieco różnić.

Nawet najlepiej zaplanowana instalacja może napotkać na problemy, jeśli nie znamy typowych pułapek. Znajomość najczęstszych błędów i sposobów ich unikania pozwoli na długotrwałe i bezproblemowe użytkowanie instalacji LED.
Najczęstsze błędy i jak ich unikać przy montażu LED
Problem spadku napięcia: Dlaczego koniec taśmy świeci słabiej i jak temu zaradzić?
Spadek napięcia to bardzo częsty problem, zwłaszcza przy dłuższych odcinkach taśmy LED. Objawia się tym, że diody na początku taśmy świecą jasno, a im dalej od zasilacza, tym światło jest słabsze. Dzieje się tak, ponieważ przewody w taśmie mają pewien opór, a prąd, przepływając przez nie, powoduje spadek napięcia. Z mojego doświadczenia wynika, że problem ten pojawia się powyżej 5 metrów dla taśm 12V i powyżej 10 metrów dla taśm 24V.
Jak temu zaradzić?
- Zasilanie dwustronne: Podłącz zasilacz do obu końców długiego odcinka taśmy.
- Zasilanie środkowe: Podłącz zasilacz do środka długiego odcinka taśmy.
- Wzmacniacze sygnału: W przypadku bardzo długich instalacji, wzmacniacze sygnału (repeatery) mogą pomóc utrzymać jednolitą jasność.
- Podział instalacji: Podziel długą taśmę na krótsze segmenty i zasilaj każdy segment osobnym zasilaczem lub doprowadź do każdego segmentu osobne przewody z jednego, mocniejszego zasilacza.
Przegrzewanie się diod: Skutki montażu bez profilu aluminiowego
Ponownie podkreślę: brak profilu aluminiowego to jeden z najpoważniejszych błędów. Diody LED generują ciepło, a bez odpowiedniego radiatora (czyli profilu aluminiowego), to ciepło gromadzi się, prowadząc do przegrzewania. Skutki są opłakane: skrócenie żywotności diod, spadek jasności, a nawet ich całkowita awaria. Diody po prostu wypalają się szybciej. Zawsze montuj taśmę w profilu, aby zapewnić jej długie i bezproblemowe działanie.
Odklejająca się taśma: Jak prawidłowo przygotować podłoże przed montażem?
Taśmy LED są zazwyczaj wyposażone w taśmę samoprzylepną, ale jej skuteczność zależy od przygotowania podłoża. Często widzę, jak ludzie po prostu przyklejają taśmę na brudną, zakurzoną czy tłustą powierzchnię. Efekt? Po kilku tygodniach taśma zaczyna się odklejać. Aby tego uniknąć, powierzchnia musi być idealnie czysta, sucha i odtłuszczona. Użyj alkoholu izopropylowego lub specjalnego środka do odtłuszczania. Tylko wtedy klej będzie mógł trwale związać się z podłożem.
Migotanie światła: Diagnostyka problemu (zasilacz, połączenia, sterownik)
Migotanie światła to irytujący problem, który może mieć kilka przyczyn. Najczęściej jest to sygnał, że coś jest nie tak z zasilaniem lub połączeniami. Zawsze zacznij od sprawdzenia:
- Zasilacza: Czy jego moc jest wystarczająca? Zbyt słaby zasilacz, pracujący na granicy możliwości, może powodować niestabilne napięcie i migotanie.
- Połączeń: Sprawdź wszystkie złączki i lutowania. Luźne lub źle wykonane połączenia mogą przerywać obwód.
- Sterownika: Jeśli używasz sterownika, upewnij się, że jest sprawny i prawidłowo podłączony. Czasami uszkodzony sterownik jest źródłem problemu.
Po zakończeniu wszystkich połączeń elektrycznych, czas na finalne kroki, które zapewnią estetyczny i profesjonalny wygląd całej instalacji LED. Detale mają znaczenie!
Profesjonalne wykończenie: Estetyka i funkcjonalność instalacji LED
Planowanie trasy kabli dla czystego efektu wizualnego
Nic tak nie psuje efektu świetlnego, jak plątanina widocznych kabli. Zawsze staram się planować trasę kabli w taki sposób, aby były one jak najmniej widoczne. Możesz je ukryć za meblami, w listwach przypodłogowych, specjalnych korytkach kablowych, a nawet wewnątrz samych profili aluminiowych (jeśli jest na to miejsce). Estetyka to klucz do zadowolenia z finalnego efektu.
Gdzie umieścić zasilacz, aby zapewnić mu odpowiednią wentylację?
Zasilacz, podobnie jak diody LED, generuje ciepło, dlatego potrzebuje odpowiedniej wentylacji. Umieszczenie go w zamkniętej, niewentylowanej przestrzeni (np. ciasnej wnęce bez przepływu powietrza) może doprowadzić do jego przegrzania i awarii. Zawsze wybieraj miejsca, które zapewniają cyrkulację powietrza, np. w wentylowanej szafce, za płytą gipsowo-kartonową z dostępem do przestrzeni wentylacyjnej, lub w specjalnie przygotowanej puszce montażowej. To klucz do długiej i bezawaryjnej pracy zasilacza.
Przeczytaj również: Precyzyjne cięcie listew MDF: Poradnik krok po kroku
Wybór klosza do profilu: Mleczny, mrożony czy transparentny jaki efekt uzyskasz?
Wybór klosza do profilu aluminiowego ma duży wpływ na efekt końcowy oświetlenia:
- Klosz mleczny (opal): Daje najbardziej rozproszone światło, całkowicie maskując pojedyncze punkty LED. Uzyskasz jednolitą, miękką linię światła, idealną do oświetlenia dekoracyjnego i tam, gdzie nie chcesz widzieć diod.
- Klosz mrożony (szroniony): Oferuje delikatne rozproszenie światła. Punkty LED są mniej widoczne niż w kloszu transparentnym, ale światło jest jaśniejsze niż w przypadku klosza mlecznego. To dobry kompromis między rozproszeniem a jasnością.
- Klosz transparentny (przezroczysty): Zapewnia maksymalną jasność, ale jednocześnie sprawia, że pojedyncze punkty LED są wyraźnie widoczne. Idealny tam, gdzie potrzebujesz jak najwięcej światła i nie przeszkadza Ci widoczna struktura taśmy.






